1000 WOG Ball Valves 3-PC_Direct Mount
KV-L30F, KV-L31F, KV-L31F-L, KV-L32F, KV-L3FF
1000 WOG and High-Performance Industrial Ball Valve
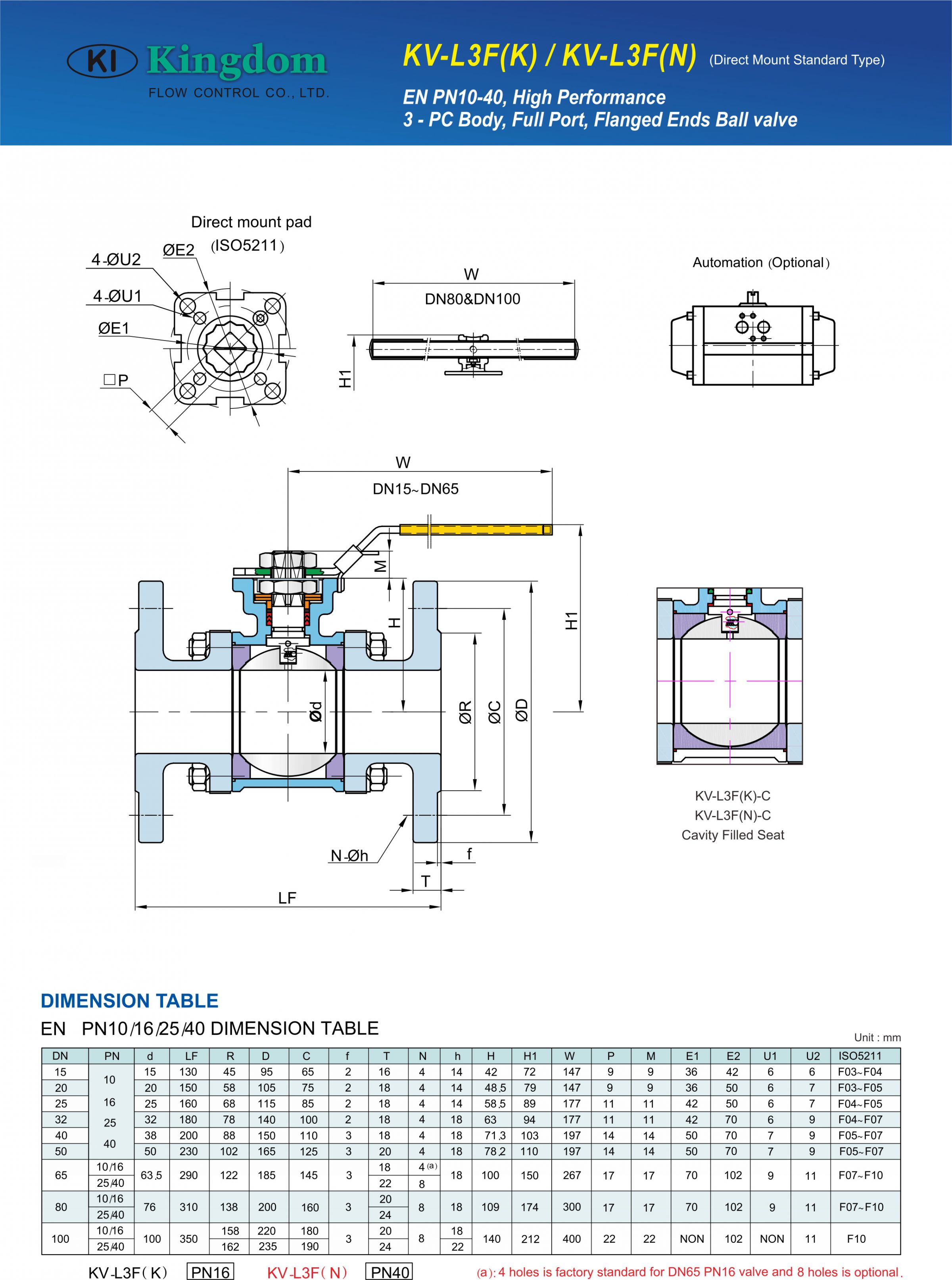
The KV-L30F, KV-L31F, KV-L32F, and KV-L3FF models are 3-piece casting ball valves featuring a full port design. They come with a mounting pad and are rated for 1000 WOG, ensuring high performance across various applications and comply with fire safe standards.
Description
- Full Port
- ISO 5211 Pad for Direct Actuation
- TFM 1600 Seats
- Size: 1/4”~ 4”
- TA-LUFT approval
- Fire Safe Design Approved
Design Features
- Built-in ISO 5211 Direct Mounting Pad Easy Automation
- Fire Safe Design Approved
- Anti-static Devices for Ball-Stem-Body
- Blow-out Proof Stem
- Pressure Balance Hole in Ball Slot
- Pre-Load 2 Belleville Washers to Self-adjust Packing
- TA-Luft / ISO 15848-1 Design Approved
- Options: 1. Actuator 2. Limit Switch 3. Positioner
- Casting Approved by TÜV AD 2000-Merkblatt W0
- NACE standard MR0175 & MR0173 (Optional)
Applicable Standards
- Design Standard: MSS SP-110
- Wall Thickness: EN12516-3
- Pipe Thread (KV-L30F):
ASME B1.20.1, ISO 7 / 1,
EN 10226, JIS B0203,
ISO 228 / 1, JIS B0202 - Butt Weld (KV-L31F): ASME B16.25 (ØB2 Sch 40)
- Extended Butt Weld KV-L31F-L: ASME B16.25(ØB2 Sch 40)
- Socket Weld (KV-L32F): ASME B16.11
- Flanged End (KV-L3FF):
KV-L3FF(1): ASME Class 150
KV-L3FF(2): ASME Class 300
KV-L3FF(J): PN 10
KV-L3FF(K): PN 16
KV-L3FF(M): PN 25
KV-L3FF(N): PN 40 EN 1092-1
KV-L3FF(A): JIS 10K
KV-L3FF(C): JIS 20K 2220 - Inspection & Testing: MSS SP-110
- Technical Information
- Details
- Download
KV-L30F, KV-L31F, KV-L32F, KV-L3FF
1000 WOG, High Performance, 3-PC Body, Full Port, Thread / BW / SW / Flange Ends Ball Valve, Fire safe
Download
1000 WOG Ball Valves 3-PC_Direct Mount - KI Kingdom
KI Kingdom is a Taiwan valve manufacturer and industrial valve supplier helping global plants stabilize production with reliable industrial 1000 WOG Ball Valves 3-PC_Direct Mount and flow control solutions for oil and gas, petrochemical, power generation and water treatment projects.
Founded in 1973 in Kaohsiung, Taiwan, KI Kingdom has expanded with manufacturing facilities in China and Vietnam, integrating R&D, machining, assembly, testing and service under one roof. Our product range includes metal seated ball valves, gate, globe, check and butterfly valves, pipe fittings, quick couplings and pneumatic and electric actuators.
Through strict material control, process inspection and performance testing, KI Kingdom delivers industrial valves that maintain tight sealing and long service life under high pressure, high temperature and corrosive media, supporting engineers and buyers in demanding flow control applications.


